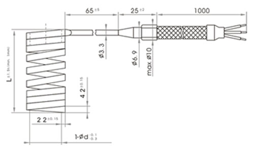
Standard stock specification:
| Standard stock specification | Parameter |
|---|---|
| Unheated length | 65mm |
| Cluster joint length | 25mm |
| Guide line | 1000mmteflon insulated line, ground line, with GF cover |
| Voltage | 1000mmteflon insulated line, ground line, with GF cover |
| Voltage | 230V |
| forming specificatio: | Parameter |
|---|---|
| Coiled length | 20~200mm |
| Internal diameter | 10~50/50.8mm(2") |
| Total length | 340~900mm |
| Heated length | 250-900mm(straigt) |
| 250-900mm(straigt) |
| total L(MM): | heating L(MM) | Watt #(W) |
|---|---|---|
| 340 | 250 | 195 |
| 370 | 280 | 215 |
| 425 | 335 | 240 |
| 475 | 385 | 295 |
| 550 | 460 | 350 |
| 610 | 520 | 400 |
| 610 | 520 | 400 |
| 690 | 600 | 460 |
| 850 | 760 | 610 |
| 990 | 900 | 690 |